卓信营销XLLS-I、XLLS-II防爆双向拉绳开关输送机保护拉绳开关
由于产品型号众多,我司各种电气规格型号齐全,有任何需求可以与我公司销售人员联系,生产各种规格型号的跑偏开关、拉绳开关、倾斜开关、打滑开关、失速开关、溜槽堵塞开关、声光报警器、限位开关、磁性开关、撕裂开关、料流开关等产品,产品适用范围广,用途多,产品销售国内外100多个国家和地区,销售电话:15163766288(微信同号)
山东卓信营销XLLS-I、XLLS-II防爆双向拉绳开关
XLLS-I,XLLS-II紧急急停拉线开关,山东卓信电气有限公司生产,现货,质保一年,量大价优
双向拉绳开关系我公司组织科研人员开发研制的新一代产品,可用于胶带运输机现场。当发生紧急事故时,便启动本机使运输机立即停机防止事故的扩大。本产品由于安装方便、开关性能可靠,在胶带运输机中广泛应用。
XLLS-I,XLLS-II紧急急停拉线开关技术参数:
1.使用环境条件
a.环境温度:-30℃~70℃
b.相对湿度不大于85
XLLS-I,XLLS-II紧急急停拉线开关结构特点:
1.本产品采用铝合金铸造壳体、强度高、重量轻。
2.外壳防护等级达到IP65,可在恶劣环境下长期工作。
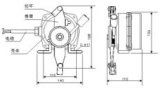
3.本产品动作灵敏、稳定性高、性能可靠,外形结构参见图2。
卓信营销XLLS-I、XLLS-II防爆双向拉绳开关

XLLS-I,XLLS-II紧急急停拉线开关工作原理当胶带运输机现场发生紧急事故时,可拉动系于摆臂上的钢丝绳,使摆臂旋转而带动机内凸轮并感应微动开关,拉绳开关是一种开关型传感器(即无触点行程开关),双向拉绳开关主要用于常规皮带输送机、梭式输送机、裙边式给料输送机、斗式提升机,包装生产线、堆料/取料系统,起重机、挖掘机、轮船装卸系统、水平给料机等设备现场紧急事故停车的一种保护装置。当紧急事故发生时,在现场沿线任意处拉动拉绳开关,均可发出停机信号,实现对人身及设备的保护作用。因为双向拉绳开关既有行程开关、微动开关的特性,双向拉绳开关同时又具有传感性能,并且动作可靠、性能稳定、频率响应快、使用寿命长、抗干忧能力强、防水、防震、耐腐蚀等特点。双向拉绳开关广泛应用于机械、矿山、纺织、印刷、化工、冶金、轻工、阀门、电力、保安、铁路、交通、水泥、港口码头等行业使用的带式输送机输送系统中。,发出停机信号。
XLLS-I,XLLS-II紧急急停拉线开关广泛用于钢铁、水泥、电厂、矿山等具有带式输送机的厂矿,双向拉绳开关动作可靠、性能稳定、频率响应快、使用寿命长、抗干忧能力强、防水、防震、耐腐蚀等特点。,该产品安装在胶带输送机两侧,双向拉绳开关产品出厂时开关触点数量为一开一闭,如需两常开、两常闭,请定货时注明; 安装支架,塑钢丝绳、卡头、托环等附件用户可向我公司成套订购,双向拉绳开关主要应用在冶金、电力、煤岩、矿山及化工等行业的输送系统中,双向拉绳开关是输送机自动化控制不可缺少的传感元件,本产品是一种胶带运输机现场紧急事故停机的保护装置。本产品选用优质铝锭合金精密压铸,并采用进口行程开关。双向拉绳开关具有强度高,重量轻,密封性好,产品使用寿命长等优点。,是用于胶带输送机紧急事故停机的一种保护开关,在开关操作距离内任何一点拉动钢丝绳,切断运行电路使全线停机,实现对胶带机及人身的保护。 当胶带运输现场发生紧急事故时,拉动系在吊耳上的钢丝绳,是机内的滑块与开关作用,发出停机信号。

本产品带自锁保护,在事故排除后按下限位杆方能复位;使用寿命长;密封性好,具有防尘、防震、防腐等优点;机壳采用铸铝铸造,双向拉绳开关YF-BLKT-II采用国际领先的不锈钢双轴承传动结构避免了开关动作时传动轴直接摩擦壳体或轴套,造成间隙增大,出现密封不严或者卡死的情况,大幅延长双向拉绳开关使用寿命;壳体表面精工烤漆,不易脱落无异味;传动轴采用不锈钢材质强度高,双向拉绳开关表面光滑;操作杆精铸成型,避免焊接,内置铜质衬套,整体光洁强度高等等。BLKT-II双向拉绳开关具有寿命长、灵活实用、安全可靠、检修方便等特点。当维修人员没有撤离或尚存在其它异常情况时,只要将拉绳开关锁定在停机位置,就不用担心胶带机被误启动,维修人员的安全也就有了保障。卓信电气是一家主要生产输送设备全套产品的生产厂家,主营双向拉绳开关,两级跑偏开关,打滑开关,溜槽堵塞开关,纵向撕裂开关、料流检测器、倾斜开关,井筒开关,气缸磁性开关,防爆磁性开关、接近开关,光电开关。,重量轻、硬度强。
![]() |









