两级跑偏开关 220VHFKPT1-12-30防水跑偏开关生产
由于产品型号众多,我司各种电气规格型号齐全,有任何需求可以与我公司销售人员联系,生产各种规格型号的跑偏开关、拉绳开关、倾斜开关、打滑开关、失速开关、溜槽堵塞开关、声光报警器、限位开关、磁性开关、撕裂开关、料流开关等产品,产品适用范围广,用途多,产品销售国内外100多个国家和地区,销售电话:15163766288(微信同号)
简介:
两级跑偏开关是用于检测带式输送机运行过程中输送带跑偏程度并进行警示以及自动触发紧急停机的一种保护装置。防爆两级跑偏开关HFKPT1-12-30 220V
使用跑偏开关可防止昂贵的输送带受损害以防止进一步的工矿事故和人生伤害。
两级跑偏开关可防止在运行输送系统里是不可缺少的保护装置,其广泛应用于钢铁厂、火力发电厂、水泥厂、化工厂、港口等等。
应用范围
常规皮带输送机,包括平皮带输送机和槽形皮带输送机;
地下、索道支撑皮带输送机;
轮船装卸系统、堆取料输送机.
产品特点 HFKPT1-12-30两级跑偏开关 220V
坚固的铸铝外壳、静电防腐涂装适应于恶劣工矿环境安装
防护标准IP65在恶劣环境也可使用
使用高性能的微动开关和无需要维护的铜管技术,耐久性
动作杆轴承额定转速 5000 转/分,适用皮带速度 6.35 米/秒
侧面滚轮zui大倾斜角度75度,因此输送带发生异常偏离时保护开关也会准确动作
技术规格
接点容量: 2个SPT 400VAC 10A
动作角度:20⪚
缆绳动作张力:49&plun;10N (5&plun;1kgf)侧面滚轮倾斜角度:≤75⪚
防护等级: IP65
环境温度: -20℃~+80℃
电缆入口: M20×1.5
电缆规格: 6~12 mm
举例安装示意

控制示意图

买家必读
收到货时,无论包装是否破损,务必当面检查物品是否完好及缺少,有任何问题,立即与我取得。
本公司承诺:诚信待人,两级跑偏开关适用范围 两级跑偏开关用于常规皮带输送机:地下、索道支撑皮带输送机:轮船装卸系统;堆垛/取料输送机;倾斜和梭式输送机;起重机、挖掘机,起重臂限位:裙边给料机/输送机:重型极限开关检测胶带的跑偏量,是实现胶带机控制的自动报警和停机的保护装置。两级跑偏开关广泛用于冶金、煤炭、水泥建材、采矿、电力、港埠、冶金、化工等领域的各种带式输送设备。,我们是生产,做的是发生意,均以出厂报价,没有暴利。低价位,高品质。1年品质保证。
物流:顺丰速运、申通快递、圆通快递、中通快递、天天快运、EMS邮政速运及公铁联运。
购买需知:
本公司上传产品型号规格有限,产品型号规格有多种,详情请来电资询。
产品质量承诺:
1、产品的制造和检测均有质量记录和检测资料。
2、对产品性能的检测,我们诚请用户亲临对产品进行全过程、全性能检查,输送机在运行中,当皮带跑偏且与开关立辊接触时,立辊自转,若跑偏量继续加大,则挤压立辊发生偏移。一级开关信号用于报警,如果将此信号与跑调整装置相接,即可实现不停机状态下的跑偏自动调整。二级两级跑偏开关信号用于停机,将此信号接至控制线路中,即可实现重度跑偏状态下的自动停机。当故障排除后,胶带离开立辊正常运转时,立辊可自动复位。,待产品被确认合格后再装箱发货。
产品承诺:
1、为了保证产品的高可靠性和性,卓信生产的产品选材均选用进口品牌。
2、在同等竞争条件下,我公司在不以降低产品技术性能、更改产品部件为代价的基础上,真诚以合理的提供给贵方。
交货期承诺:
产品交货期:一般常规格产品,,特殊产品需定制,按用户来样或图片参数要求定制,若有特殊要求,需提前完工的,我公司可特别组织生产、安装,力争满足用户需求。
动作说明
示意图中的角度为侧面滚轮的倾斜角度
接点1,本系列跑偏开关具有两级动作功能。一级动作用于报警,二级动作用于自动停机。胶带机在运行中,当胶带跑偏且与本开关立辊接触时,立辊自转,若跑偏量继续加大,则挤压立辊发生偏移。
当立辊偏转角度超过12°时,一级开关动作,输出(报警信号)。
当立辊偏转角度超过30°时,二级开关动作,输出(停机信号)。
一级开关信号用于报警,如果将此信号与跑调整装置相接,即可实现不停机状态下的跑偏自动调整。
二级开关信号用于停机,将此信号接至控制线路中,即可实现重度跑偏状态下的自动停机。
当故障排除后,胶带离开立辊正常运转时,立辊可自动复位。
两级跑偏开关为了适应户外条件下长期使用,本产品均采用整体密封,内部金属零件进行镀锌纯化处理,外部零件除壳体外均做多层光亮镀铬,壳体为铸铝制造,表面采用静电喷涂技术处理,适宜在恶劣环境下使用。
两级跑偏开关采用铝合金精密压铸壳体、强度高、重量轻;
外壳防护等级达IP65, 密封性好,防水、防尘,可在恶劣环境中长期工作;
触点容量大、动作灵敏、可靠,2倾斜到20度时闭合,恢复到18度时断开
接点4,5倾斜到35度时断开,跑偏开关起带式输送现场的保护作用,因此必须达到指定的IP防护等级。 两级跑偏开关分两个位置检测输送机皮带的跑偏程度和扭曲程度。根据皮带的跑偏程度和扭曲程度,实现自动报警和停机,避免昂贵的输送皮带受损坏及因皮带扭曲造成的物料散落等事故。此开关安装方便,运行可靠,是带式输送机必备的保护装置之一。,恢复到33度时闭合
接点动作位置根据调整凸轮可变更
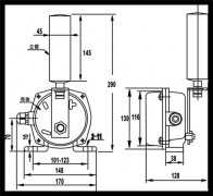
外形尺寸图
HFKPT1-12-30两级跑偏开关 220V
拉线开关HFKLT2-II
堵流器LM-X
CK-3 C24V磁控开关
KLX2 C24V磁控开关
CJK-4C磁铁
CJK-3Z-KB/T C24V磁控开关
接近开关E4-A5JB 90-250VAC常闭5mm
接近开关Q-GF-K8LT
HFKPT1-12-30两级跑偏开关 380V
HFKPT1-20-35两级跑偏开关 220V
![]() |









