卓信GRB-15248-III皮带机纠偏开关接线饲料厂跑偏开关生产
由于产品型号众多,我司各种电气规格型号齐全,有任何需求可以与我公司销售人员联系,生产各种规格型号的跑偏开关、拉绳开关、倾斜开关、打滑开关、失速开关、溜槽堵塞开关、声光报警器、限位开关、磁性开关、撕裂开关、料流开关等产品,产品适用范围广,用途多,产品销售国内外100多个国家和地区,销售电话:15163766288(微信同号)
上海卓信GRB-15248-III皮带机纠偏开关接线
接线方法
该产品配有1.5米六芯橡套电缆,芯线上配有标记号,用户可根据线号接线,两级跑偏开关适用范围
两级跑偏开关用于常规皮带输送机:地下、索道支撑皮带输送机:轮船装卸系统;堆垛/取料输送机;倾斜和梭式输送机;起重机、挖掘机,起重臂限位:裙边给料机/输送机:重型极限开关检测胶带的跑偏量,是实现胶带机控制的自动报警和停机的保护装置。两级跑偏开关广泛用于冶金、煤炭、水泥建材、采矿、电力、港埠、冶金、化工等领域的各种带式输送设备。,其中:
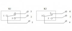
1、2为跑偏常开接点;
1、3为跑偏常闭接点;
4、5为二级跑偏常开接点;
4、6为二级跑偏常闭接点;

山东卓信GRB-15248-III皮带机纠偏开关接线
带式输送机保护系列:两级防偏开关、拉线开关、拉线开关、双向拉绳开关、双向平衡拉绳开关、纵向撕裂开关、速度、非接触失速开关、非接触式速度、微电脑速度监视器、料流检测装置、阻旋式料位、污水泵自动控制装置、溜槽堵塞开关。带式输送机保护系列产品可增加地址编码巡测功能。
结构特点说明:
通用的安装设计可使防偏开关随意安装在输送机纵梁顶部或底部
坚固的铸铝外壳,防护标准NEMA4,特殊的环境可选特殊的表面处理
整体式盖板易于接线及调整
不需拆除动作杆就可拆掉盖板
动作杆轴承额定转速5000转/分,输送机在运行中,当皮带跑偏且与开关立辊接触时,立辊自转,若跑偏量继续加大,则挤压立辊发生偏移。一级开关信号用于报警,如果将此信号与跑调整装置相接,即可实现不停机状态下的跑偏自动调整。二级两级跑偏开关信号用于停机,将此信号接至控制线路中,即可实现重度跑偏状态下的自动停机。当故障排除后,胶带离开立辊正常运转时,立辊可自动复位。,
两级跑偏开关安装和调整
1.跑偏开关设在输送带两侧,立辊应与输送带边平面垂直,并使输送带两边位于立辊高度1/3处。
2.跑偏开关立辊与输送带正常位置的间距宜为50~100mm。
3.跑偏开关数量应根据输送机长度、类型及布置情况进行确定。两级跑偏开关一般应在输送机头部、尾部、凸弧段、凹弧段和在输送机中间位置进行设置。(注:当输送机较长时,在输送机中间位置可每隔30~35米设1对)
4.跑偏开关应通过安装支架与输送机中间架连接,开关支架应在输送机安装完成后与输送机机架焊接,跑偏开关与跑偏开关支架用螺栓固定。,适用皮带速度可达6.35米/秒
动作杆法向角调节范围为22.5⪚
法向夹角为10度时触点动作,输送机在运行中,当皮带跑偏且与开关立辊接触时,立辊自转,若跑偏量继续加大,则挤压立辊发生偏移。一级开关信号用于报警,如果将此信号与跑调整装置相接,即可实现不停机状态下的跑偏自动调整。二级两级跑偏开关信号用于停机,将此信号接至控制线路中,即可实现重度跑偏状态下的自动停机。当故障排除后,胶带离开立辊正常运转时,立辊可自动复位。,法向夹角为之20度时停机触点动作。

基本原理是:当输送带运行中出现跑偏时,输送带触碰开关立辊并使立辊偏转,当立辊偏转角度达到1级开关角度时,开关发出信号。当输送带跑偏严重,达到2级开关角度时,开关发出停机信号,实现输送带跑偏故障自动停机。当跑偏故障排除后,胶带机正常运转时,开关立辊可自动复位,回到初始状态。
BS30-BP-CN6X-H1141、BS30-BP-CP6X、BS30-BP-CP6X-H1141、BS30-E6X、BS30-E6X-H1141、BS30-F200-CN6X、BS30-F200-CP6X、BS30-F200-CP6X-H141、BS30-F400-CN6X、BS30-F400-CN6X-H1141、BS30-F400-CP6X、BS30-F400-CP6X-H1141、BS30-F600-CN6X、BS30-F600-CN6X-H1141、BS30-F600-CP6X、BS30-F600-CP6X-H141、BS30-R-CN6X、
拉绳开关ZX-LSPMIP65
TBA-2磁性开关
HFKLT2-I-Z双向拉绳开关
拉绳开关 TQ 441-01-01 380V 4A
HFKCT2-11双向拉绳开关
FKPT1-Ⅱ-Z 380V 10A (立辊)
带式输送机备件拉绳开关LXB-02GKK-T1-B
GRB-16090型限位开关GRB-16090-I、GRB-16090-II
GRB-17062型纵向撕裂
GRB-17088型双向平衡拉绳开关
GRB-19150型双向平衡拉绳开关
执行机构位置反馈开关BAPL312N
堵料开关 型号:S155-Y1G 螺纹式:G 11/2" 过程连接 延展 靴形 侧装 材质:304 AC220V
承德冀东
跑偏开关^HFKPT1-12-30
速度传感器^KJT-KGZ-K15
声光器;HQSG-46
YM-BISK/AC220V声光警铃
MB50-Q14-13X接近开关
SC速度传感器、断链检测开关
速度打滑开关FYH-02IP67
磁性开关CXKB-47NOIP67
接近开关Ⅱ5321 ⅡE2015-FRKGIP67
![]() |








