YKPP两级跑偏开关,HR各种型号化肥厂防偏开关
由于产品型号众多,我司各种电气规格型号齐全,有任何需求可以与我公司销售人员联系,生产各种规格型号的跑偏开关、拉绳开关、倾斜开关、打滑开关、失速开关、溜槽堵塞开关、声光报警器、限位开关、磁性开关、撕裂开关、料流开关等产品,产品适用范围广,用途多,产品销售国内外100多个国家和地区,销售电话:15163766288(微信同号)
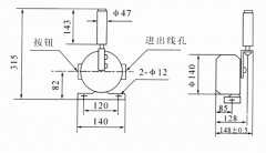
两级跑偏开关主要应用在冶金、电力、煤岩、矿山及化工等行业的输送系统中,安装说明 1、两级跑偏开关底座两边各有Ф12mm孔,在皮带机旁角铁架钻Ф12mm孔,用M10×30mm螺丝紧固跑偏开关。 2、安装跑偏开关应选择输送装置易出现跑偏的位置处安装,参考应用单位工艺要求,同时要考虑皮带与挡轮的有效间距和推力,建议皮带与档轮间的安装距离为120-160mm。 3、安装距离:建议每50米安装一对跑偏开关。 4、跑偏开关出厂时配有长度0.5米四芯橡套电缆,芯线上配有1、2、3、4线号,其中1、2为常开接点是一级报警信号,3、4为常闭接点是二级停机信号。,是输送机自动化控制不可缺少的传感元件,本产品可用于输送机胶带跑偏的检测,防止由于胶带跑偏而造成物料溢出等故障。本产品选用铝压铸处壳具有防水、防灰、防震等优点,安装方便、开关性能可靠, 两级跑偏开关安装和调整 1.跑偏开关设在输送带两侧,立辊应与输送带边平面垂直,并使输送带两边位于立辊高度1/3处。 2.跑偏开关立辊与输送带正常位置的间距宜为50~100mm。 3.跑偏开关数量应根据输送机长度、类型及布置情况进行确定。两级跑偏开关一般应在输送机头部、尾部、凸弧段、凹弧段和在输送机中间位置进行设置。(注:当输送机较长时,在输送机中间位置可每隔30~35米设1对) 4.跑偏开关应通过安装支架与输送机中间架连接,开关支架应在输送机安装完成后与输送机机架焊接,跑偏开关与跑偏开关支架用螺栓固定。,在输送机胶带中广泛应用。YKPP两级跑偏开关,HR各种型号
用途:两级跑偏保护功能,跑偏做警示信号可接入自动调整装置,用于校正胶带的偏离和扭曲。二级跑偏做停机信号,将其接至控制线路中,即可实现停机。
跑偏开关(Belt Sway Switches)又称防偏开关。是用于检测带式输送机输送带跑偏量的产品,对于输送带在出现跑偏的情况下起到自动警示和停机的一种保护装置。
跑偏开关有两级角度,一般常用的是:角度为:10、12、20.二级角度为:30、35、45.
适用范围
两级跑偏开关用于常规皮带输送机:地下、索道支撑皮带输送机:轮船装卸系统;堆垛/取料输送机;倾斜和梭式输送机;起重机、挖掘机,输送机在运行中,当皮带跑偏且与开关立辊接触时,立辊自转,若跑偏量继续加大,则挤压立辊发生偏移。一级开关信号用于报警,如果将此信号与跑调整装置相接,即可实现不停机状态下的跑偏自动调整。二级两级跑偏开关信号用于停机,将此信号接至控制线路中,即可实现重度跑偏状态下的自动停机。当故障排除后,胶带离开立辊正常运转时,立辊可自动复位。,起重臂限位:裙边给料机/输送机:重型极限开关检测胶带的跑偏量,是实现胶带机控制的自动警示和停机的保护装置。广泛用于冶金、煤炭、水泥建材、采矿、电力、港埠、冶金、化工等领域的各种带式输送设备。
基本原理
1.跑偏开关设在输送带两侧,立辊应与输送带边平面垂直,跑偏开关(Belt Sway Switches)又称防偏开关。两级跑偏开关用于检测带式输送机运行中的跑偏现象,按皮带实际跑偏量输出报警或停机信号,可有效的防止由皮带跑偏而产生的事故。,并使输送带两边位于立辊高度1/3处。
2.跑偏开关立辊与输送带正常位置的间距宜为50~100mm。
3.跑偏开关数量应根据输送机长度、类型及布置情况进行确定。一般应在输送机头部、尾部、凸弧段、凹弧段和在输送机中间位置进行设置。(注:当输送机较长时,在输送机中间位置可每隔30~35米设1对)
4.跑偏开关应通过安装支架与输送机中间架连接,开关支架应在输送机安装完成后与输送机机架,跑偏开关与跑偏开关支架用螺栓固定。
YKPP两级跑偏开关,HR各种型号 ,卓信跑偏开关生产,跑偏开关加工
,质量保证低,量大价优
,防偏开关、型号及规格



使用环境条件:
1.环境温度:-40℃~60℃
2.相对湿度不大于85
3.海拨高度不超过2000m
4.使用寿命:开关动作10万次
5.绝缘电压:AC1000试验1分钟
6.触点容量:≤AC380 ≤
![]() |








