两级跑偏开关XT-PK-20-35 生产 多种型号煤矿用跑偏开关
由于产品型号众多,我司各种电气规格型号齐全,有任何需求可以与我公司销售人员联系,生产各种规格型号的跑偏开关、拉绳开关、倾斜开关、打滑开关、失速开关、溜槽堵塞开关、声光报警器、限位开关、磁性开关、撕裂开关、料流开关等产品,产品适用范围广,用途多,产品销售国内外100多个国家和地区,销售电话:15163766288(微信同号)
HR两级跑偏开关XT-PK-20-35 生产 多种型号
两级跑偏开关主要应用在冶金、电力、煤岩、矿山及化工等行业的输送系统中,是输送机自动化控制不可缺少的传感元件,本产品可用于输送机胶带跑偏的检测,防止由于胶带跑偏而造成物料溢出等故障。本产品选用铝压铸处壳具有防水、防灰、防震等优点,安装方便、开关性能可靠,在输送机胶带中广泛应用。
卓信两级跑偏开关XT-PK-20-35 生产 多种型号
用途:两级跑偏保护功能,使用与安装:防偏开关可固定在输送机纵梁顶部或底部,动作杆距皮带边缘约25mm。通常安装在皮带两侧距头部或尾部0.3-2米的地方。当皮带跑偏时,迫使动作杆偏离,触动报警开关。两级跑偏开关如果继续偏离,触动别一组开关,输送机就会保护性停机。,跑偏做警示信号可接入自动调整装置,用于校正胶带的偏离和扭曲。二级跑偏做停机信号,将其接至控制线路中,即可实现停机。
跑偏开关(Belt Sway Switches)又称防偏开关。是用于检测带式输送机输送带跑偏量的产品,对于输送带在出现跑偏的情况下起到自动警示和停机的一种保护装置。
跑偏开关有两级角度,一般常用的是:角度为:10、12、20.二级角度为:30、35、45.
适用范围
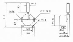
两级跑偏开关用于常规皮带输送机:地下、索道支撑皮带输送机:轮船装卸系统;堆垛/取料输送机;倾斜和梭式输送机;起重机、挖掘机,起重臂限位:裙边给料机/输送机:重型极限开关检测胶带的跑偏量,安装说明 1、两级跑偏开关底座两边各有Ф12mm孔,在皮带机旁角铁架钻Ф12mm孔,用M10×30mm螺丝紧固跑偏开关。 2、安装跑偏开关应选择输送装置易出现跑偏的位置处安装,参考应用单位工艺要求,同时要考虑皮带与挡轮的有效间距和推力,建议皮带与档轮间的安装距离为120-160mm。 3、安装距离:建议每50米安装一对跑偏开关。 4、跑偏开关出厂时配有长度0.5米四芯橡套电缆,芯线上配有1、2、3、4线号,其中1、2为常开接点是一级报警信号,3、4为常闭接点是二级停机信号。,是实现胶带机控制的自动警示和停机的保护装置。广泛用于冶金、煤炭、水泥建材、采矿、电力、港埠、冶金、化工等领域的各种带式输送设备。
卓信
基本原理
1.跑偏开关设在输送带两侧,立辊应与输送带边平面垂直,并使输送带两边位于立辊高度1/3处。
2.跑偏开关立辊与输送带正常位置的间距宜为50~100mm。
3.跑偏开关数量应根据输送机长度、类型及布置情况进行确定。一般应在输送机头部、尾部、凸弧段、凹弧段和在输送机中间位置进行设置。(注:当输送机较长时,在输送机中间位置可每隔30~35米设1对)
4.跑偏开关应通过安装支架与输送机中间架连接,开关支架应在输送机安装完成后与输送机机架,跑偏开关与跑偏开关支架用螺栓固定。
两级跑偏开关主要应用在冶金、电力、煤岩、矿山及化工等行业的输送系统中,是输送机自动化控制不可缺少的传感元件,本产品可用于输送机胶带跑偏的检测,防止由于胶带跑偏而造成物料溢出等故障。本产品选用铝压铸处壳具有防水、防灰、防震等优点,本系列跑偏开关具有两级动作功能。一级动作用于报警,二级动作用于自动停机。胶带机在运行中,当胶带跑偏且与本开关立辊接触时,立辊自转,若跑偏量继续加大,则挤压立辊发生偏移。 当立辊偏转角度超过12°时,一级开关动作,输出(报警信号)。 当立辊偏转角度超过30°时,二级开关动作,输出(停机信号)。 一级开关信号用于报警,如果将此信号与跑调整装置相接,即可实现不停机状态下的跑偏自动调整。 二级开关信号用于停机,将此信号接至控制线路中,即可实现重度跑偏状态下的自动停机。 当故障排除后,胶带离开立辊正常运转时,立辊可自动复位。 两级跑偏开关为了适应户外条件下长期使用,本产品均采用整体密封,内部金属零件进行镀锌纯化处理,外部零件除壳体外均做多层光亮镀铬,壳体为铸铝制造,表面采用静电喷涂技术处理,适宜在恶劣环境下使用。 两级跑偏开关采用铝合金精密压铸壳体、强度高、重量轻; 外壳防护等级达IP65, 密封性好,防水、防尘,可在恶劣环境中长期工作; 触点容量大、动作灵敏、可靠,安装方便、开关性能可靠,在输送机胶带中广泛应用。
用途:两级跑偏保护功能,跑偏做警示信号可接入自动调整装置,用于校正胶带的偏离和扭曲。二级跑偏做停机信号,将其接至控制线路中,即可实现停机。
跑偏开关(Belt Sway Switches)又称防偏开关。是用于检测带式输送机输送带跑偏量的产品,对于输送带在出现跑偏的情况下起到自动警示和停机的一种保护装置。
跑偏开关有两级角度, 两级跑偏开关工作原理 两级跑偏开关安装在皮带输送机两侧、距离皮带机首尾端部1~3m的地方。当皮带跑偏时,皮带边缘压向档轮,迫使档轮偏转,使限位开关动作。为减少档轮与皮带的摩擦,档轮的本体是由轴承制作的。 当发生轻微跑偏事故时(15°),两级跑偏开关的第一组触点动作,发出事故预告信号。 当发生严重跑偏事故时(30°),两级跑偏开关的第二组触点动作,可使输送机自动停车。,一般常用的是:角度为:10、12、20.二级角度为:30、35、45.
适用范围
两级跑偏开关用于常规皮带输送机:地下、索道支撑皮带输送机:轮船装卸系统;堆垛/取料输送机;倾斜和梭式输送机;起重机、挖掘机,起重臂限位:裙边给料机/输送机:重型极限开关检测胶带的跑偏量,是实现胶带机控制的自动警示和停机的保护装置。广泛用于冶金、煤炭、水泥建材、采矿、电力、港埠、冶金、化工等领域的各种带式输送设备。
基本原理
1.跑偏开关设在输送带两侧,立辊应与输送带边平面垂直,并使输送带两边位于立辊高度1/3处。
2.跑偏开关立辊与输送带正常位置的间距宜为50~100mm。
3.跑偏开关数量应根据输送机长度、类型及布置情况进行确定。一般应在输送机头部、尾部、凸弧段、凹弧段和在输送机中间位置进行设置。(注:当输送机较长时,在输送机中间位置可每隔30~35米设1对)



使用环境条件:
1.环境温度:-40℃~60℃
2.相对湿度不大于85
3.海拨高度不超过2000m
4.使用寿命:开关动作10万次
5.绝缘电压:AC1000试验1分钟
6.触点容量:≤AC380 ≤
使用环境条件:
1.环境温度:-40℃~60℃
2.相对湿度不大于85
3.海拨高度不超过2000m
4.使用寿命:开关动作10万次
5.绝缘电压:AC1000试验1分钟
6.触点容量:≤AC380 ≤HR
双向拉绳开关XT-PLS-II
双向拉线开关XT-PLS-I
两级跑偏开关XT-PK-20-35
两级跑偏开关XT-PK-10-45
两级跑偏开关XT-PK-12-30
声光警示器 XT-FZ-C1 220VAC
![]() |









